• 0
    Item

Conheçam nossos produtos,
façam uma consulta,
tirem suas dúvidas.
Clique aqui para acessar o Whatsapp

Ou envie um e-mail para trlmagnetics@gmail.com

Se desejam fazer um modelo de Transformador
que não está disponível na loja,
Nos chamem no whatsapp.
Não enviem áudio, façam por escrito.

 

 

 

Pague com cartão através
da sua conta no Mercado Pago

Ou no PIX com 5% de desconto!

>
JTM45-2245 | 30W | PWR Imagem
JTM45-2245 | 30W | PWR
POR: R$ 535,00 R$ 508,25 à vista

ou 10x de R$ 61,31 com juros

Comprar

Geral

Todos

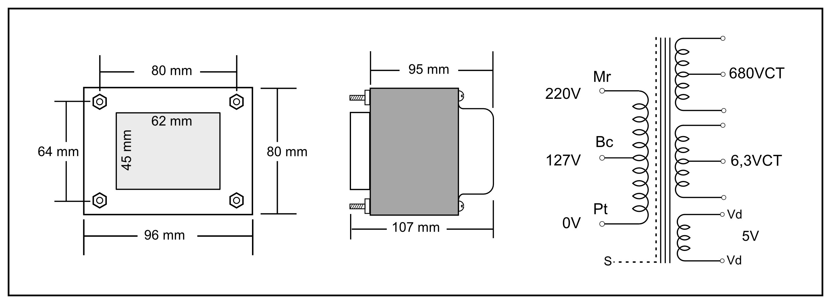
JTM45-2245 | 30W | PWR

JTM45-2245 | 30W | PWR

(#20-15307)

Reposição:  Marshall®  | 

Código TRL:  #20-15307

Transformador de Força

Entrega: até 30 dias úteis + Correios

mais informações

JTM45-2245 | 30W | PWR

(#20-15307)

Reposição:  Marshall®  | 

Código TRL:  #20-15307

Transformador de Força

Entrega: até 30 dias úteis + Correios

mais informações

Primário

127V

220V

As combinações acima não possuem estoque.

Só temos 31 em estoque. Adicionamos todos em seu carrinho. Compre logo antes que acabe!

por: R$ 535,00

R$ 508,25 à vista

em 10x de R$ 61,31 com juros

Ou

R$508,25

Transferência via PIX

Quantidade

+

-

Adicionar ao Carrinho

Frete e prazo

Frete e prazo

calcular

Não sei meu cep

Descrição do Produto

Entrega em até 30 dias úteis + Correios 

Altura maior do que o original

 

**ATENÇÃO - ESTE PRODUTO TRABALHA COM ALTA TENSÃO - PERIGO DE MORTE
   O MANUSEIO DEVE SER FEITO POR TÉCNICO ESPECIALIZADO!!**